Three Advantages of CFRP in Civil Engineering

CFRP mateirals is flexible and easy to paste, ensure quality at any time; can be cut into any size, convenient construction; have high tensile strength and excellent performance in civil engineering.

2020-03-26 14:37:58

CFRP strengthening construction process(in details)

1.Preparatory work 2.Treat ment of surface 3.Primer and leveling construction 4.Externally bonded carbon fiber reinfroced polymer(CFRP)​ 5.Curing and protectiion 6.Recover work

2020-03-26 14:34:26

Carbon fiber VS steel bonded reinfrocement

Comparison of carbon fiber fabric and steel plate bonded technology CFRP advantage:.Corrosion resistance; Low cost,cost effective compared with other method; Easy installation; Short construction period; Light weight,no influence to original structure; No maintenance required

2020-03-26 14:07:00

CFRP strip strengthening

Carbon FRP reinforcement methods mainly include CFRP strengthening and CFRP strip reinforcement.CFRP strip is a composite material pultruded with carbon fiber fabirc and resin, adhering to the characteristics of carbon fiber, light weight, high strength, and corrosion resistance.

2018-04-26 15:42:44

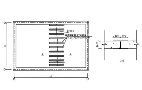
Lap size of CFRP strengthening

Multilayer paste of carbon fiber reinfroced polymer​(CFRP) achieve a better effect for structural strengthening. But more people don't know the lap size of CFRP strengthening.Horse Construction tell you.The lap length of each end should not be less than 200MM

2020-03-26 13:55:10

Main application of carbon fiber fabric

Unidirectional carbon fiber fabric application: Concrete beam bending and shear reinforcement, slab bending reinforcement, columns and other seismic reinforcement. Industrial and civil buildings reinforcement, road and bridge, water conservancy, nuclear power and energy and other infrastructure reinforcement. ​

2020-03-26 13:54:01

Why choose HM pe-stressed CFRP strip?

It is proved that the concrete beams strengthened by ordinary concrete beams and ordinary carbon fiber reinforced plate can easily take place under the powerful external force, but the bearing capacity of concrete beams strengthened by prestressed CFRP strip is greatly improved

2020-03-26 13:51:39

Pre-stressed CFRP strip/plate/laminate

The Pre-stressed CFRP strip/plate/laminate reinforcement method is suitable for strengthening the reinforced concrete members subjected to bending, tension and large eccentricity when the section is small or the reinforcement is insufficient.

2020-03-26 13:20:13

Adhesive Anchoring Installation Instructions

Hole Preparation, Cartridge Preparation, Filling the Hole, Curing

2020-03-25 11:10:21

Requirements of anchorage for prestressed CFRP plate system

When prestressed CFRP plate is used to reinforce reinforced concrete structure, the anchorage end and anchorage end of anchorage should have at least one end.

2020-03-26 13:27:26
Back
Top
Close